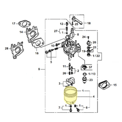
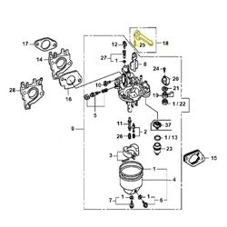
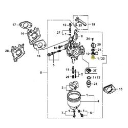
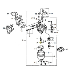
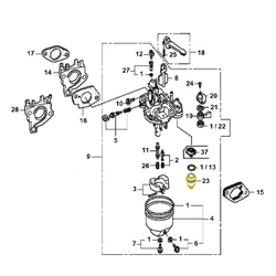
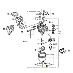
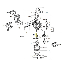
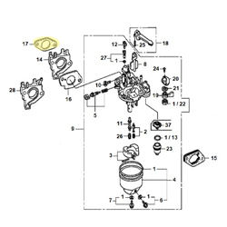
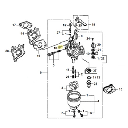
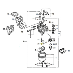
Carburateur HONDA GX 270 RT2

Carburateur HONDA GX 270 RT2
Accès rapide :