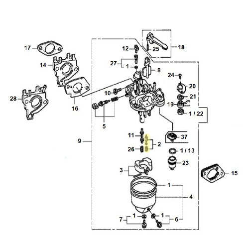
Pointeau carbu HONDA 270 > 390

Pointeau carbu HONDA 270 > 390
Autres produits Honda